Песнь о двухполупериодном выпрямителе
Когда включаем мы сеть, рождается свет,
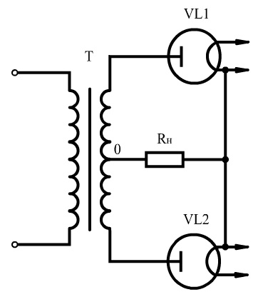
На вторичке трансформатора — новый ответ.
В первый полупериод ток путь свой нашёл,
Диод VL1 открылся, и в нагрузку пошёл.
Припев
Два полупериода — один результат,
Постоянный знак напряжения — как калейдоскопа спад.
Токи I21 и I22 вместе сошлись,
В нагрузке постоянный ток родился — держись!
Куплет 2
Когда же в другой полупериод пойдёт,
Полярность в обмотке наоборот встаёт.
Диод VL1 закроется, но диод VL2 откроется,
И ток I22 к резистору спешит.
Припев
Два полупериода — один результат,
Постоянный знак напряжения — как калейдоскопа спад.
Токи 21 и I22 вместе сошлись,
В нагрузке прямой постоянный ток родился — держись!
Куплет 3
И так всё чередуется снова, опять,
Две половины смогли ток выпрямлять.
В одном направлении идут без конца,
Две жилы, два ритма, но цель у них одна!
Припев
Два полупериода — один результат,
Постоянный знак напряжения — как калейдоскопа спад.
Токи I21 и I22 вместе сошлись,
В нагрузке прямой постоянный ток родился — держись!
Свидетельство о публикации №125100407986
