Сами делайте дома бесплатный бензин
Очень понравилась статья.
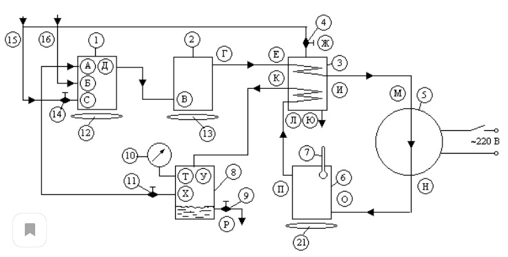
Руководство по изготовлению в домашних условиях 100% заменителя бензина любой марки из воды и бытового газа, поступающих в квартиру.
Общее описание
Получаемая при помощи данного описания жидкость – метанол или метиловый спирт.
В чистом виде метанол применяется в качестве растворителя, а так же как высокооктановая добавка к моторному топливу, а также как самый высокооктановый (с октановым числом равным 150) бензин. Это тот самый бензин, которым заправляют гоночные мотоциклы и автомобили. Зарубежные исследования показали, что двигатель, работающий на метаноле, служит во много раз дольше чем при использовании обычного автомобильного бензина. При неизменном рабочем объеме двигателя его мощность повышается на 20%. Выхлоп двигателя, работающего на этом топливе, экологически чист и при проверке его на токсичность вредные вещества практически отсутствуют.
Малогабаритный аппарат для получения этого топлива прост в изготовлении, не требует особых знаний и дефицитных деталей, безотказен в работе. Его производительность зависит от различных причин, в том числе и от габаритов. Аппарат, схему и описание сборки которого предлагаем вашему вниманию, при Д=75мм дает три литра готового топлива в час, имеет вес около 20 кг, и габариты приблизительно: 20 см в высоту, 50 см в длину и 30 см в ширину.
Внимание: метанол является сильным ядом. Он представляет собой бесцветную жидкость с температурой кипения 65оС, имеет запах, подобный запаху обычного питьевого спирта, и смешивается во всех отношениях с водой и многими органическими жидкостями. Помните о том, что 30 миллилитров выпитого метанола смертельны!
Ну вот, и вся конструкция. В заключении следует добавить, что цикл статей по изготовлению этой конструкции в домашних условиях, било опубликовано в журналах «Приоритет» в 1991, 1992, 1993 гг., но полностью готовый проект опубликован так и не был (зажали обещанные правильные катализаторы для подписчиков). В данных номерах были чертежи реактора с электрической схемой управления и конструкция охладителя, после чего г-н Вакс (автор статьи) вежливо извинился и сообщил, что дальнейшая публикация прекращается по просьбе силовых структур СССР и тем кто хочет повторить данную установку поле творчества неограниченно.
Квасников Игорь, изготавлиавшый эту конструкцию сделал уточнение:
Категорически запрещается подавать воду прямо из крана в реактор так как водопроводная вода содержит хлор , который моментально отравит катализатор 2-го реактора. Тоже самое относится и к газу, который содержит примеси серы и активных органических веществ. В своей установке я применял дистиллированную воду и моноэтаноламинную очистку газа, все это даёт неплохой результат. После более детальной проработки оригинальной статьи всплывает множество неточностей которые следует уточнять и дорабатывать.
P.S.
На начало 2012 года стоимость готовой к использованию установки, производительностью 1 литр в час составляла более 2000 у. е.
P.S.2
В данный момент времени изготовление описанной в статье установки не представляется возможным, поскольку цеха, где происходило изготовление комплектующих и сборка, сейчас разрушены, так как находятся в зоне конфликта.
Свидетельство о публикации №119071907244
